Overview PCB Assembly Base Assembly J0 Assembly J1 Assembly J2 Assembly J3 Assembly Gripper Assembly Gripper Wiring J3 Wiring J2 Wiring J1 Wiring J0 Wiring Arduino Code Serial Commands Electron GUI

Base Assembly

The base can be a piece of plywood, or a tabletop that you're willing to drill holes in. The CAD model shows a 24 inch square piece of plywood that is 0.5 inches thick.

base
Plywood base raised with 2x2s
base assembly CAD
Base assembly CAD

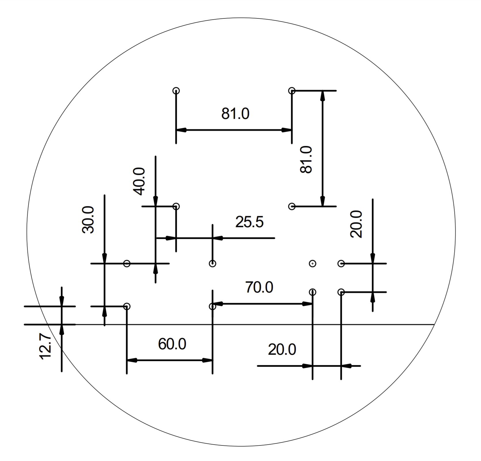
Drill Holes in the Base

The base needs holes for the arm and 2 printed circuit boards. The PCBs only really need 2 holes, but the arm should have all 4. Use a 4.5mm drill bit. You can print this PDF to use as a template for the holes: BASE-1TO1-1.0.pdf

base hole dimensions
Dimensions for the holes in the base
base hole template
Paper template for holes in base
base holes
Holes in base

Mount the Riser to the Base

Use M4x25 screws with nylon lock nuts and oversize washers to mount the riser to the base. The oversize washers will prevent the screws from digging into the plywood.

base on riser
Riser mounted to base
riser oversize washers
Oversize washers keep the nuts from digging into the plywood

Add Standoffs to PCB Brackets

Add M2.5 standoffs to the PCB brackets using nuts on the bottom of the brackets.

pcb standoffs
Standoffs on the PCB brackets

Mount the PCB Brackets to the Base

Use M4x25 screws and nuts with oversize washers.

pcb brackets on base
PCB brackets mounted to base

Mount Microcontroller and DC Driver to Brackets

Use 4 M2.5 screws to mount the Arduino Mega (or clone) to its bracket. Do the same for the DC motor driver.

PCBs on brackets
PCBs on brackets

Push PCBA into Arduino

Push the main PCBA into the Arduino Mega (A4-PCBA-1.0).

A4 PCBA on microcontroller
A4 PCBA pushed into microcontroller